Opdracht 5

Gepubliceerd op 17 maart 2021 om 06:06

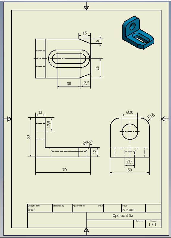
Opdracht 5a/Werktekening  opdracht 5a


Hier ziet u 2 afbeeldingen waarvan:

De linker afbeelding is opdracht 5a
De rechter afbeelding is de werktekening van opdracht 5a


Opdracht 5b/Werktekening  opdracht 5b


Hier ziet u 2 afbeeldingen waarvan:

De linker afbeelding is opdracht 5b

De rechter afbeelding is de werktekening van opdracht 5b


Opdracht 5c/Werktekening  opdracht 5c


Hier ziet u 2 afbeeldingen waarvan:

De linker afbeelding is opdracht 5c

De rechter afbeelding is de werktekening van opdracht 5c


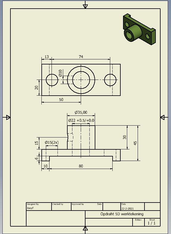
Opdracht 5d/Werktekening  opdracht 5d


Hier ziet u 2 afbeeldingen waarvan:

De linker afbeelding is opdracht 5d

De rechter afbeelding is de werktekening van opdracht 5d

Maak jouw eigen website met JouwWeb