uitgedeelde tekeningen wtc

Gepubliceerd op 16 februari 2022 om 23:26

uitgedeelde tekening 1


Hier ziet u 2 afbeeldingen waarvan:

De linker afbeelding is de eerst uitgedeelde opdracht . ( in de maak maar wel een voorbeeld van wat het moet worden)

De rechter afbeelding is de werktekening van de opdracht ( in de maak)


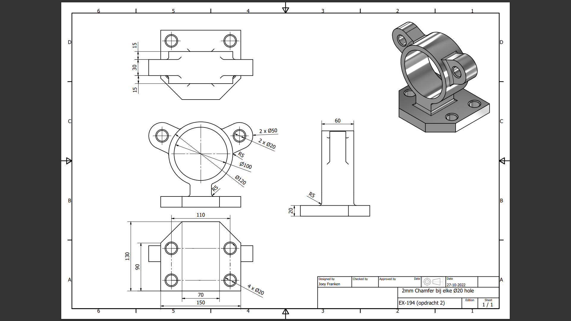
uitgedeelde tekening 2


Hier ziet u 2 afbeeldingen waarvan:

De linker afbeelding is de tweede uitgedeelde opdracht . 

De rechter afbeelding is de werktekening van de opdracht ( in de maak)


uitgedeelde tekening 3


Hier ziet u 2 afbeeldingen waarvan:

De linker afbeelding is de derde uitgedeelde opdracht . 

De rechter afbeelding is de werktekening van de opdracht ( in de maak)


uitgedeelde tekening 4


Hier ziet u 2 afbeeldingen waarvan:

De linker afbeelding is de vierde uitgedeelde opdracht . 

De rechter afbeelding is de werktekening van de opdracht. 


uitgedeelde tekening 5


Hier ziet u 2 afbeeldingen waarvan:

De linker afbeelding is de vijfde uitgedeelde opdracht . 

De rechter afbeelding is de werktekening van de opdracht