Opdrachten P1 t/m P4 + P6

Gepubliceerd op 9 september 2021 om 09:09

Video's van opdracht P1 t/m P4 + P6 


In deze video naast deze tekst ziet u opdracht P1, die we in het echt ook moesten maken, onderaan het document ziet u een verslag staan waarbij er meer informatie staat over opdracht P1 de opdrachten wat we moesten maken en ook een online tekening op fluidsim.


In deze video naast deze tekst ziet u opdracht P2, die we in het echt ook moesten maken, onderaan het document ziet u een verslag staan waarbij er meer informatie staat over opdracht P2 de opdrachten wat we moesten maken en ook een online tekening op fluidsim.


In deze video naast deze tekst ziet u opdracht P3, die we in het echt ook moesten maken, onderaan het document ziet u een verslag staan waarbij er meer informatie staat over opdracht P3 de opdrachten wat we moesten maken en ook een online tekening op fluidsim.


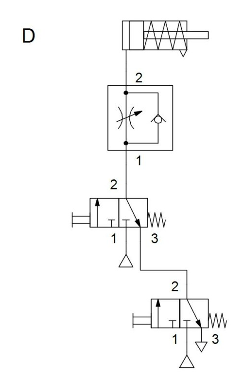
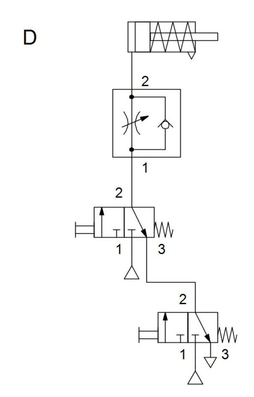
In deze video's boven deze tekst ziet u opdracht P4 waarvan er 4 video's eigenlijk moesten staan maar omdat de 4 de video is kwijtgeraakt door corruptie staan er maar 3 video's en een foto van een schakeling, waar de video van mist.  Onderaan het document ziet u een verslag staan waarbij er meer informatie staat over opdracht P4 de opdrachten wat we moesten maken en ook een online tekening op fluidsim. 


Verslag van opdracht p1 t/m p4 +p6


Maak jouw eigen website met JouwWeb