Opdracht P10

Gepubliceerd op 9 september 2021 om 09:09

Opdracht P10 


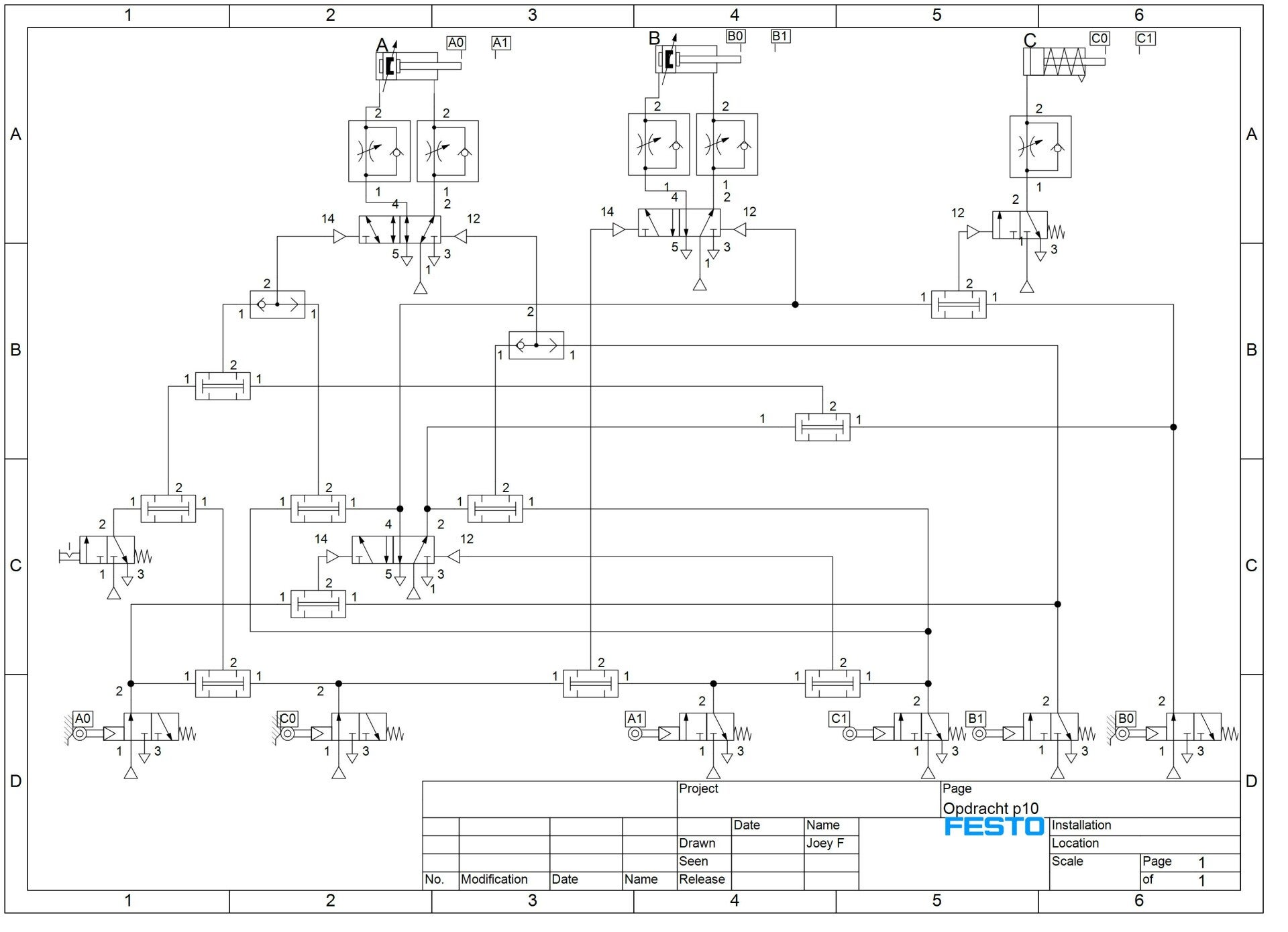
lings ziet u de werktekening/schakeling van p10 die we hadden gekregen en rechts ziet u een video van opdracht 10  wat wij moesten maken in het echt voor leerjaar 1 voor WMPC, in het verslag hier onder ziet u meer informatie over deze opdracht. 


Opdracht P10 verslag 


Maak jouw eigen website met JouwWeb