Opdracht E1+E2 + EP1 t/m EP7

Gepubliceerd op 9 september 2021 om 09:09

video's en foto's van opdracht  EP1 t/m EP7


In deze video naast deze tekst ziet u opdracht EP1, die we in het echt ook moesten maken, onderaan het document ziet u een verslag staan waarbij er meer informatie staat over opdracht EP1, de opdrachten wat we moesten maken en ook een online tekening op fluidsim.


In deze video naast deze tekst ziet u opdracht EP2, die we in het echt ook moesten maken, onderaan het document ziet u een verslag staan waarbij er meer informatie staat over opdracht EP2, de opdrachten wat we moesten maken en ook een online tekening op fluidsim.


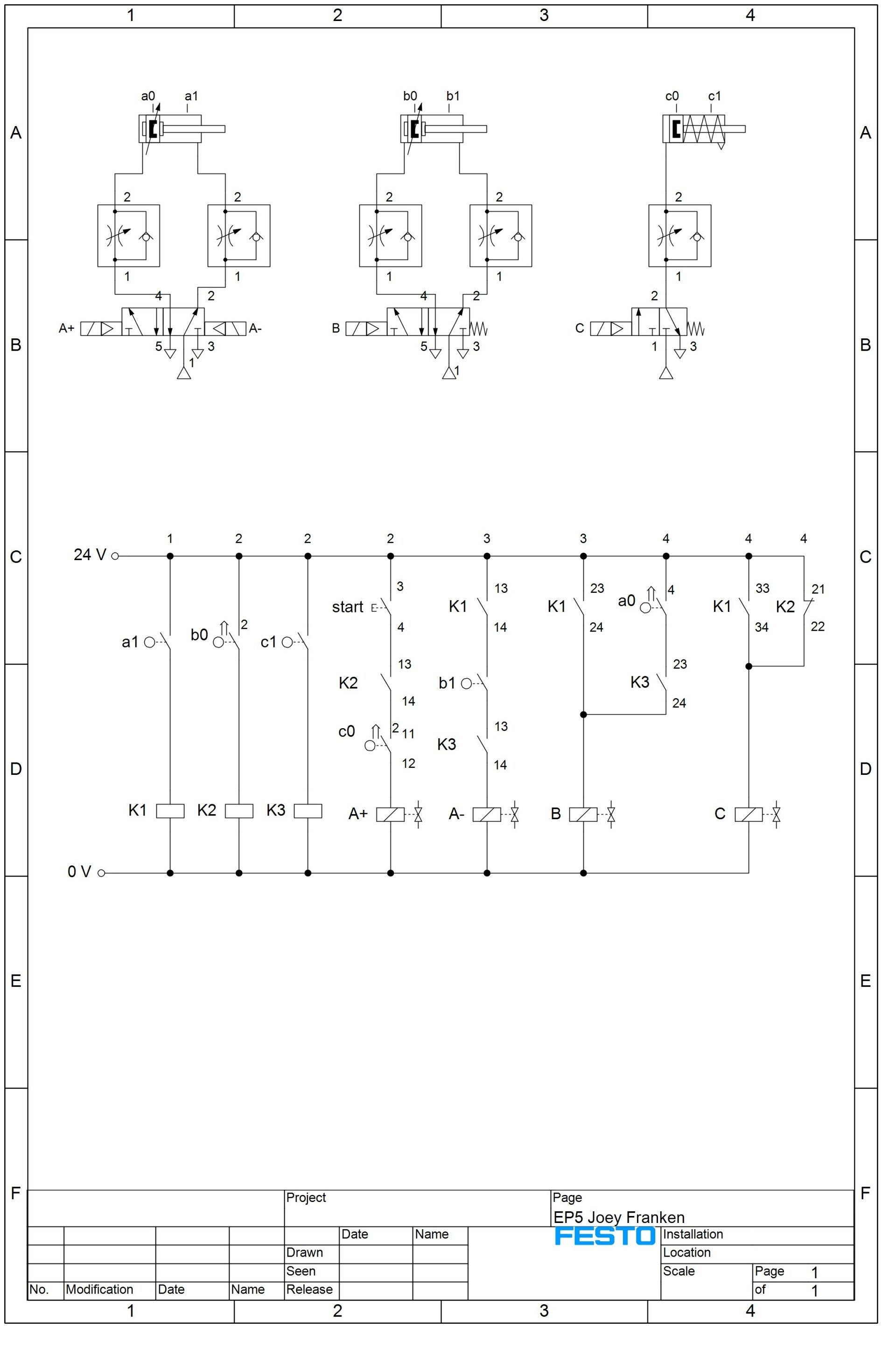
De foto wat u ziet naast deze tekst is opdracht EP5, onderaan het document ziet u een verslag staan waarbij er meer informatie staat over opdracht EP5, de opdrachten wat we moesten maken en ook de foto die u hiernaast ziet.


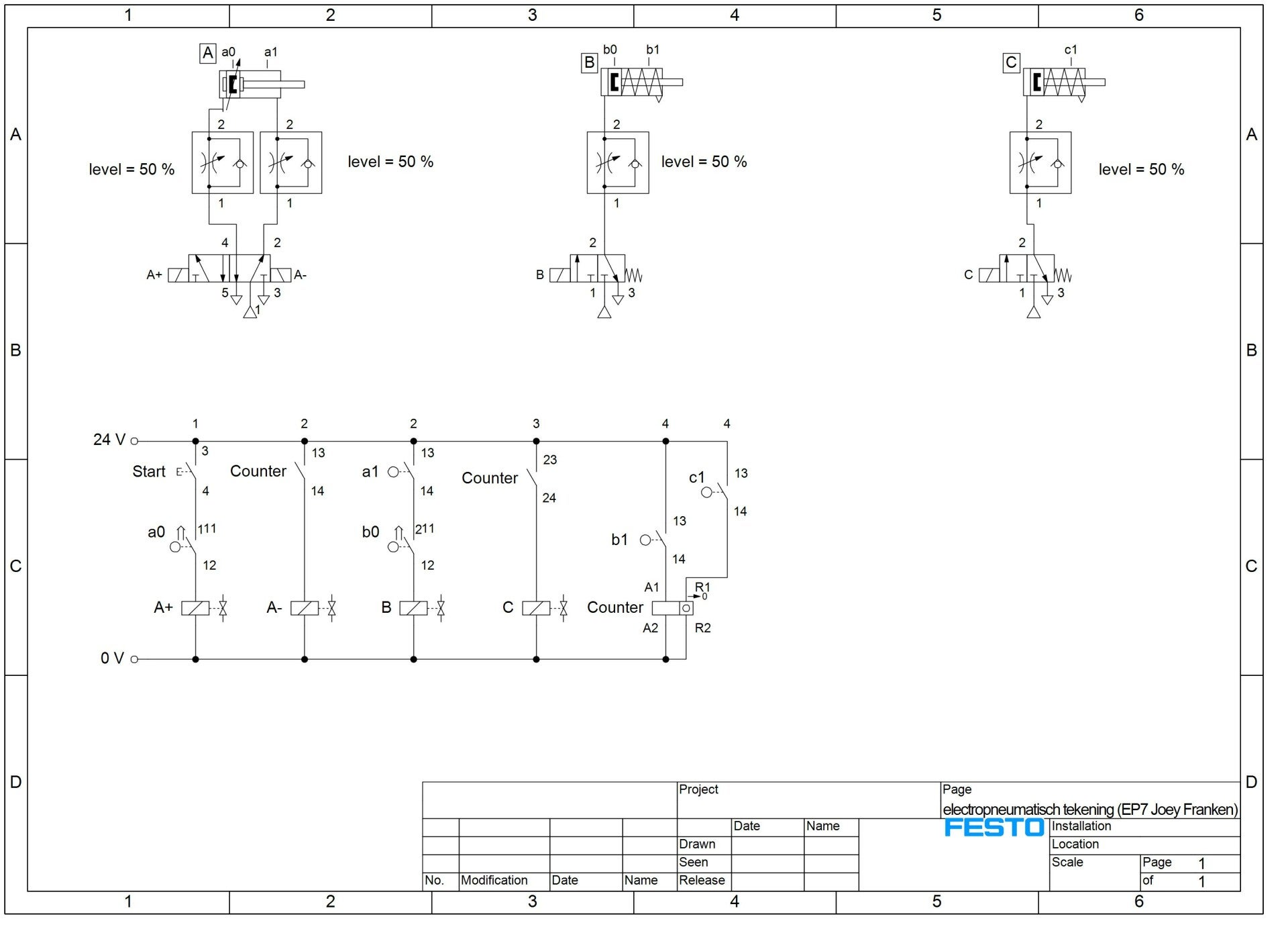
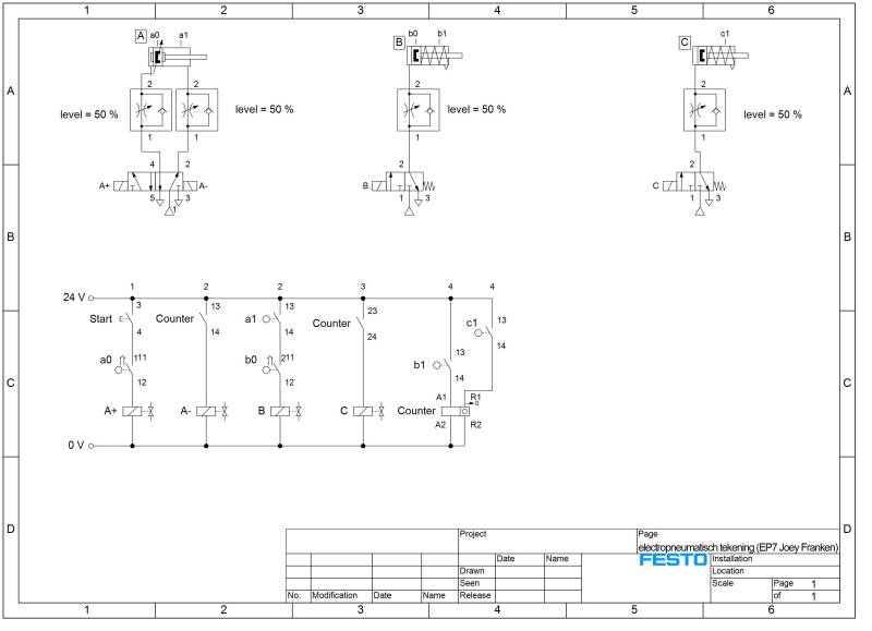
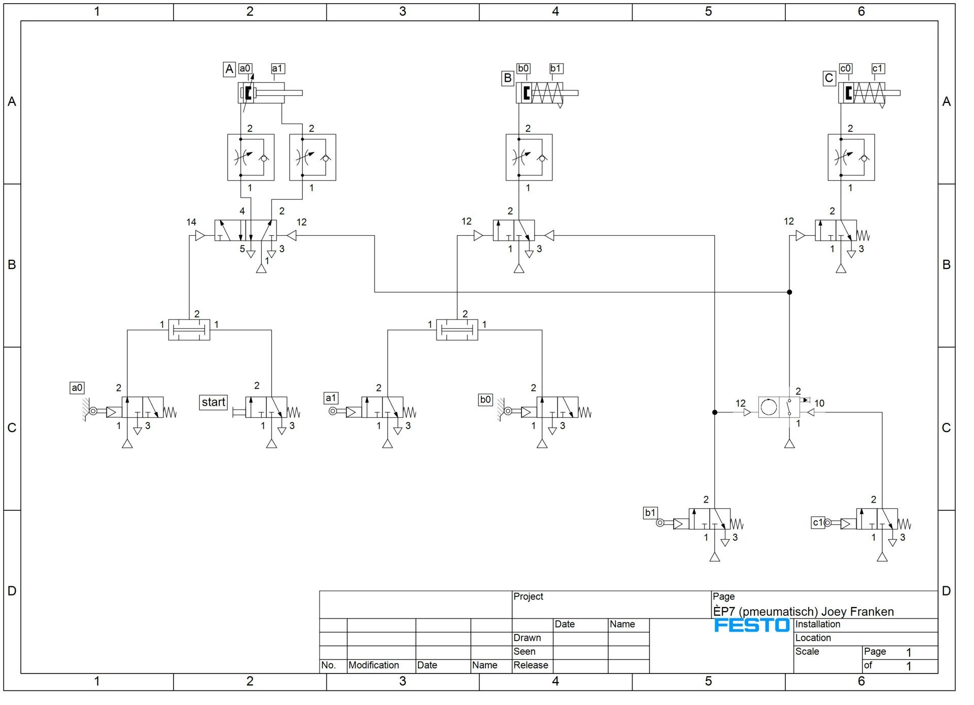
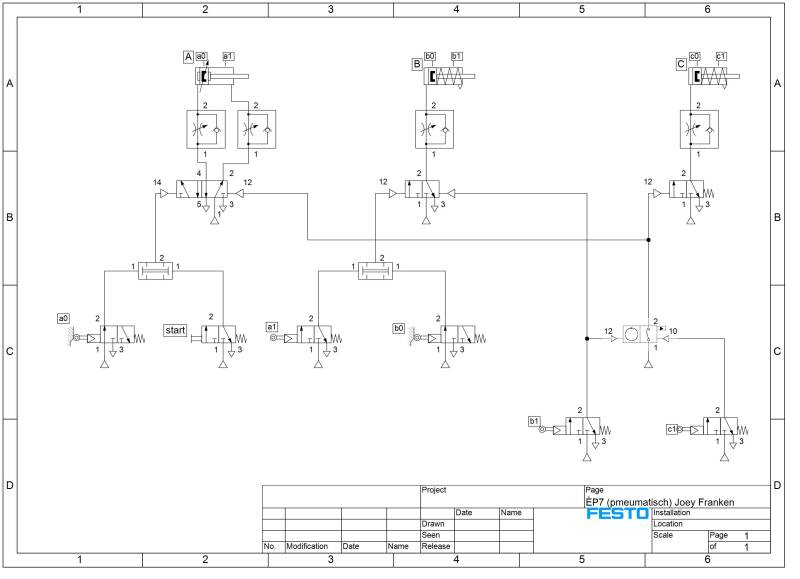
De foto's wat u ziet boven deze tekst  is opdracht EP7 het pneumatisch schema en Electro pneumatisch, onderaan het document ziet u een verslag staan waarbij er meer informatie staat over opdracht EP7, de opdrachten wat we moesten maken en ook de foto's wat u hier boven ziet.


Verslag van opdracht E1+E2 + EP1 t/m EP7


Maak jouw eigen website met JouwWeb